一文读懂麦克风典型应用电路
在现代消费类电子产品中,无线麦克风设备的应用日益广泛。这些无线麦克风通常分为两大类:驻极体麦克风和硅麦克风。此外,它们还可以根据输出信号的类型分为模拟麦克风和数字麦克风。下面将详细介绍这两大类麦克风的典型应用电路。
驻极体麦克风

模拟驻极体麦克风
模拟驻极体麦克风通常具有两个输出引脚,即正极和地。在电路应用中,通常采用以下连接方式:

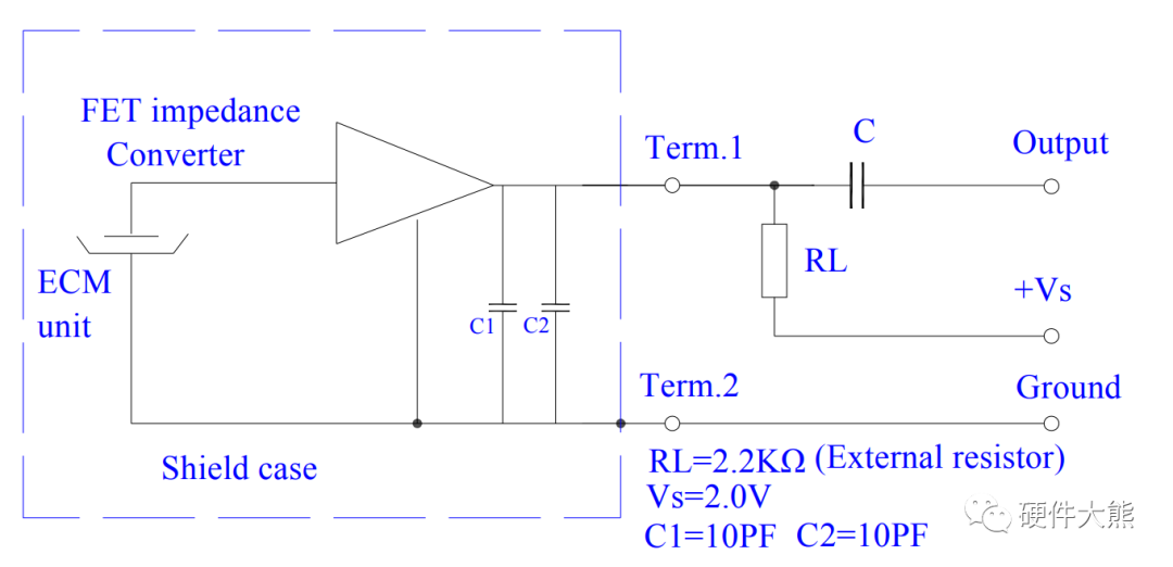
麦克风的正极通过偏置电阻RL接入电源Vs,并通过耦合电容C将信号输出到下级电路。通常情况下,RL的电阻值为2.2KΩ,而耦合电容C的建议取值范围为1uF到2.2uF。需要注意的是,RL的电阻值大小将影响麦克风输出信号的振幅,因此在实际应用中,请参考麦克风设备的规格书以获取更详细的信息。电源Vs通常来自电源管理单元(PMU)的低压差稳压器(LDO)输出,建议电压范围为1.8V到3.3V。供电电压越高,麦克风的输出信号幅度就越大,但同时也会增加电流消耗。
数字驻极体麦克风
数字驻极体麦克风与模拟驻极体麦克风的主要区别在于,数字驻极体麦克风内部集成了模数转换器(ADC)。目前,常见的数字驻极体麦克风以脉冲密度调制(PDM)格式输出信号:

PDM数字驻极体麦克风通常具有4个输入输出引脚,包括VCC、CLK、Data和GND。一些型号还提供了一个额外的L/R选择引脚。数字驻极体麦克风的应用电路相对较简单,只需根据麦克风的输入输出引脚定义将其连接到编解码器或应用处理器(AP)的输入/输出接口即可。建议在靠近编解码器端的CLK引脚处预留一个串联零欧姆电阻,以便在信号线较长时防止振铃问题的发生。
硅麦克风
模拟硅麦克风
模拟硅麦克风与模拟驻极体麦克风的主要区别在于,模拟硅麦克风具有独立的VCC引脚,电源线和信号线是分开的。单端输出的模拟硅麦克风通常具有3个引脚,包括VCC、Output和GND。如果是差分输出的模拟硅麦克风,则具有4个引脚,分为Output+和Output-。
对于单端输出的模拟硅麦克风,常规应用电路如下:

一般建议在电源端并联一个0.1μF的电容(也可以额外并联一个10μF电容),以过滤来自电源电压的噪声干扰。在信号输出线中串联一个电容(通常建议1μF到2.2uF),以滤除信号中的直流成分。
数字硅麦克风
数字硅麦克风与模拟硅麦克风的主要区别在于,数字硅麦克风内部芯片集成了模数转换器(ADC)电路,可将模拟信号转换为数字信号。目前,常见的数字硅麦克风通常以PDM格式输出信号,但也有少数型号提供I2S格式输出。
PDM格式的数字硅麦克风通常具有5个引脚,包括VCC、CLK、Data、L/R和GND。在电路应用中,只需按照麦克风的输入输出引脚定义,将其连接到编解码器或应用处理器(AP)的输入/输出接口即可。对于多麦克风阵列的应用,通常两个麦克风会共享一个Data线,并且将它们的L/R引脚分别连接到高电平和低电平。如下图所示:

通常,建议在靠近编解码器接口端的CLK引脚处预留一个串联电阻,以及在麦克风接口端的Data引脚处预留一个串联电阻。这有助于防止因信号线过长而导致的振铃问题。
这些典型应用电路示例有助于理解不同类型无线麦克风的接线方式和连接原理。根据具体应用需求和硬件配置,可以选择适合的麦克风类型和连接方式。无线麦克风技术的不断发展推动了音频领域的进步,提供了更多灵活和高质量的音频采集解决方案。
免责声明: 本文借鉴原创改编,版权归原作者所有,本文所用图片、文字如涉及作品版权,请第一时间联系我们删除。
原文链接:https://blog.csdn.net/CYP_2015/article/details/121347162
支持